This is a part of MP Electronic Devices site.
The AVR family of microcontrollers, with ATmega and ATtiny series, are arguably the most popular microcontrollers, widely used for small hobby projects. Their popularity was established by the use of the ATmega328 microcontroller in the iconic Arduino Uno microcontroller board. They may not be the latest and best technology, but the large and widespread support for their applications outweighs any drawbacks.
While using the ATmega328 on an official Arduino board is standardised and therefore easy, using it in other environments can be tricky. The same is true for using other chips from the AVR family. The most difficult problem I faced was uploading machine code to the AVR's flash memory.
Please note that this web page gives only a general overview for the most common chips and the most common situations that arise when programming AVR microcontrollers. Also, some issues can be greatly simplified.
Basically, the code is compiled and uploaded by what is called a device programmer. The code is uploaded using the Serial Peripheral Interface (SPI) protocol with three dedicated lines, SCK, MOSI and MISO. The upload is triggered by the pulse on the pin RESET, which means that the upload requires four chip pins.
Vendor produced device programmers can be expensive. Fortunately, Arduino Uno (or some of its relatives like Arduino Nano, Arduino Pro Mini etc.) can be used as the hardware and Arduino IDE as the software instead. First, load the special in-system programming (ISP) sketch ArduinoISP onto the Arduino Uno or its relative. The sketch can be found under Examples in the Files menu of Arduino IDE. Select the target board (Arduino Pro Mini for a bare ATmega328 chip) and the Arduino as ISP (not to be confused with ArduinoISP) as the programmer in the Tools menu. Then connect the MOSI (PB3), MISO (PB4) and SCK (PB5) pins of the programming device and the target device. In addition, connect the PB2 pin of the programming device to the RESET pin of the target device with a 10 kΩ pull up resistor to VCC. Finally, upload the code by selecting Upload Using Programmer in the Sketch menu.
At this moment, I am sure you are wondering: When we uploaded code to another device, Arduino Uno or its relative was a programmer. However, when we uploaded ArduinoISP sketch, Arduino Uno was a target. So who is programming the programmer? This is the key question to understand if you want to understand AVR microcontroller programming.
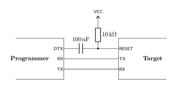
The process described in the previous chapter is hardware built into AVR microcontrollers. However, there is a software process that uses a bootloader and allows computers, whether personal computers or Raspberry Pi, to act as device programmers. A bootloader is a section of target's program memory that is executed at power-up or at reset, before the main code is executed. Bootloaders on AVR chips usually use the Universal Asynchronous Receiver-Transmitter (UART) protocol with two dedicated lines, RX and TX. The upload is again triggered by the pulse on the pin RESET, which means that the upload requires three chip pins. AVR chip must be connected to the USB port of the personal computer or Raspberry Pi via a variety of USB-UART interface chips. Arduino Uno usually uses an ATmega16u2 chip, but there are many alternatives, such as CH340G, FT232RL, PL2303 and CP2102 chips.
Select the target board (Arduino Pro Mini for a bare ATmega328 chip) and appropriate USB port in the Tools menu. The selection of the programmer is irrelevant. Then connect the TX and RX pins of the interface chip to the RX (PD0) and TX (PD1) of the target device, respectively. In addition, connect the DTR pin of the interface chip to the RESET pin of the target device with a 10 kΩ pull up resistor to VCC. The DTR pin is connected through 100 nF capacitor. At the beginning of the transmission, DTR changes its state and the capacitor converts this change into a pulse. Finally, upload the code by selecting Upload in the Sketch menu or simply clicking the Upload button.
Before the bootloader can be used, it must of course be uploaded to the target chip with the hardware upload method. If a chip is used on an Arduino board, the bootloader is usually already uploaded with a default bootloader named Optiboot. Otherwise, the hardware upload method is needed. The only difference is that instead of Upload Using Programmer in the Sketch menu, the Burn Bootloader in the Tools menu is used.
Note that uploading the sketch with the hardware upload method overwrites the bootloader!
The ATmega series microcontrollers used on Arduino boards (ATmega328, ATmega32U4) are natively supported by Arduino IDE. However, for the ATtiny series, board managers must be included in the program. In the past there were two board managers, Attiny by David A. Mellis for hardware upload and DigistumpArduino for bootloader upload, which have now been superseded by the ATTinyCore manager that supports both.
Adding the board manager is a rather tedious procedure. First, add URL http://drazzy.com/package_drazzy.com_index.json to Additional Boards Manager URLs in Preferences in the File menu. Then go to Boards Manager in the board selection in the Tools menu and install ATTinyCore.
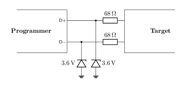
The problem is that the ATtiny series microcontrollers do not support the hardware UART protocol. Therefore, instead of using the Optiboot bootloader, it is common to use another bootloader named Micronucleus, provided by both Digistump and ATTinyCore board managers. Micronucleus directly uses the USB protocol with two dedicated lines, D+ and D-. Therefore, USB-UART interface required for the UART protocol is not needed.
Select the target board in the Tools menu. Then connect the D- and D+ USB lines to the PB3 and PB4 pins of the target device, respectively. Both connections should be made using 68 Ω resistors and 3.6 V zener diodes to clamp the ATtiny's 5 V signals to the USB standard. Finally, upload the code by selecting Upload in the Sketch menu or by simply clicking the Upload button. The selection of the programmer in the Tools menu is irrelevant.
The bootloader upload procedure is described in the previous section. Note that uploading the sketch with the hardware upload method overwrites the bootloader!
If you buy an AVR microcontroller as a bare chip, its fuses (default settings) must be adjusted before further use. This is done by the bootloader upload procedure. If no bootloader is used, this procedure only adjusts fuses. This process is commonly referred to as burning fuses.
The USB bootloader upload method is apparently starting to be non-operational with a lot of newer computers. The Micronucleus bootloader barely mimics the correct USB protocol, which may not be properly recognised by new USB chipsets and drivers.
Below is the pinout of the AVR microcontroller for reference: † internal oscillator, ‡ available if reset disabled.
| ATmega 328P | ||||
|---|---|---|---|---|
| pin name | pin number | function | ||
| ide | manual | DIP | TQFP | |
| 0 | PD0 | 2 | 30 | RX |
| 1 | PD1 | 3 | 31 | TX |
| 2 | PD2 | 4 | 32 | |
| 3 | PD3 | 5 | 1 | |
| 4 | PD4 | 6 | 2 | |
| 5 | PD5 | 11 | 9 | |
| 6 | PD6 | 12 | 10 | |
| 7 | PD7 | 13 | 11 | |
| 8 | PB0 | 14 | 12 | |
| 9 | PB1 | 15 | 13 | |
| 10 | PB2 | 16 | 14 | |
| 11 | PB3 | 17 | 15 | MOSI |
| 12 | PB4 | 18 | 16 | MISO |
| 13 | PB5 | 19 | 17 | SCK |
| 14 | PC0 | 23 | 23 | |
| 15 | PC1 | 24 | 24 | |
| 16 | PC2 | 25 | 25 | |
| 17 | PC3 | 26 | 26 | |
| 18 | PC4 | 27 | 27 | |
| 19 | PC5 | 28 | 28 | |
| †20 | PB6 | 9 | 7 | |
| †21 | PB7 | 10 | 8 | |
| ‡22 | PC6 | 1 | 29 | RESET |
| ATtiny85 | |||
|---|---|---|---|
| pin name | pin number | function | |
| ide | manual | ||
| 0 | PB0 | 5 | MOSI |
| 1 | PB1 | 6 | MISO |
| 2 | PB2 | 7 | SCK |
| †3 | PB3 | 2 | (D−) |
| †4 | PB4 | 3 | (D+) |
| ‡5 | PB5 | 1 | RESET |
| ATtiny84 | |||
| pin name | pin number | function | |
| ide | manual | ||
| 0 | PA0 | 13 | (D−) |
| 1 | PA1 | 12 | (D+) |
| 2 | PA2 | 11 | |
| 3 | PA3 | 10 | |
| 4 | PA4 | 9 | SCK |
| 5 | PA5 | 8 | MISO |
| 6 | PA6 | 7 | MOSI |
| 7 | PA7 | 6 | |
| 8 | PB2 | 5 | |
| †9 | PB1 | 3 | |
| †10 | PB0 | 2 | |
| ‡11 | PB3 | 4 | RESET |
Created by Marko Pinteric. Please contact me for suggestions, new tricks, etc.
Updated . Web page has been read by visitors since September 2021.